В даний час значна частина електроенергії, що виробляється на електростанціях у світі, надходить із викопного палива. Тому альтернативними рішеннями є відновлювані джерела енергії. Їх ресурси доповнюють один одного в природних процесах, що робить їх практично невичерпними. Відновлювана енергія включає енергію прямого використання сонячної радіації (перетвореної в тепло або електрику), вітру, геотермальних ресурсів (з надр Землі), гідроенергії, твердої біомаси, біогазу та рідкого біопалива.
Група ZPUE бере активну участь у впровадженні установок з відновлюваною енергією. Приклади рішень представлені нижче.
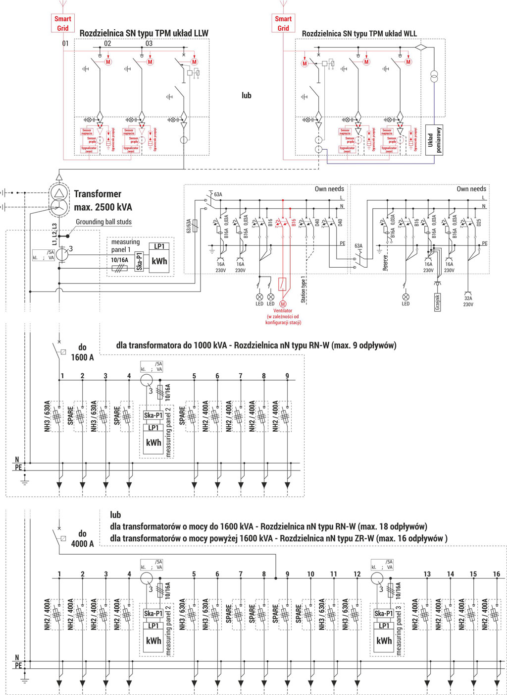
STACJE PRZEZNACZONE DO ELEKTROWNI FOTOWOLTAICZNYCH - Inwertery Stringowe
Розташування приладів - Підстанція з внутрішнім коридором обслуговування
| 1 | Товщина стінки 90 мм - стандартна |
| Товщина стінки 120 мм - варіант | |
| 2 | Вентиляційні жалюзі IP 23D - стандарт , IP 43 - опція |
| 3 | Повні двері або двері з вентиляційними жалюзі IP 23D - стандарт , IP 43 - опція |
| 4 | Трансформатор |
| 5 | Розподільний пристрій НН |
| 5а | Шафа AMI / Телемеханіка / власні потреби |
| 6 | Розподільний пристрій СН |
| 7 | Кришка люка кабельного каналу |
Електрична схема
Приклади рішень - підстанції із зовнішнім обслуговуванням
| 1 | Товщина стінки 90 мм - стандартна |
| 2 | Вентиляційні жалюзі IP 23D - стандарт , IP 43 - опція |
| 3 | Повні двері або двері з вентиляційними жалюзі IP 23D - стандарт , IP 43 - опція |
| 4 | Трансформатор |
| 5 | Розподільний пристрій НН |
| 5а | Шафа AMI / Телемеханіка / власні потреби |
| 6 | Розподільний пристрій СН |
Електрична схема
УВАГА!
Додаткове обладнання позначено червоним кольором на електричній схемі.
У пропозиції представлені зразки конфігурацій підстанцій.
Детальний вибір розподільних пристроїв СН та їх аксесуарів можна знайти в розділах, присвячених окремим пристроям каталогу. Можливість встановлення інших типів та конфігурацій розподільних пристроїв, щоразу слід консультуватися з виробником підстанції.
STACJE PRZEZNACZONE DO ELEKTROWNI FOTOWOLTAICZNYCH - Inwertery Stringowe
Розташування приладів
| 1 | Товщина стінки 120 мм - стандартна |
| Товщина стінки 90 мм - опція | |
| 2 | Вентиляційні жалюзі IP 23D - стандарт , IP 43 - опція |
| 3 | Повні двері або двері з вентиляційними жалюзі IP 23D - стандарт , IP 43 - опція |
| 4 | Трансформатор |
| 4a | Трансформатор для особистих потреб |
| 5 | Розподільний пристрій НН |
| 5а | Шафа AMI / Телемеханіка / власні потреби |
| 6 | Розподільний пристрій СН |
| 7 | Кришка люка кабельного каналу |
Електрична схема
УВАГА!
Додаткове обладнання позначено червоним кольором на електричній схемі.
У пропозиції представлені зразки конфігурацій підстанцій.
Детальний вибір розподільних пристроїв СН та їх аксесуарів можна знайти в розділах, присвячених окремим пристроям каталогу. Можливість встановлення інших типів та конфігурацій розподільних пристроїв, щоразу слід консультуватися з виробником підстанції.
PRZYKŁADY STACJI DEDYKOWANEJ DLA ELEKTROWNI WIATROWEJ
Електрична схема
| 1 | Товщина стінки 120 мм - стандартна |
| Товщина стінки 90 мм - опція | |
| 2 | Вентиляційні жалюзі IP 23D - стандарт , IP 43 - опція |
| 3 | Повні двері або двері з вентиляційними жалюзі IP 23D - стандарт , IP 43 - опція |
| 4a | Трансформатор для особистих потреб |
| 5а | Шафа AMI / Телемеханіка / власні потреби |
| 6 | Розподільний пристрій СН |
| 7 | Кришка люка кабельного каналу |
| 1 | Товщина стінки 120 мм - стандартна |
| Товщина стінки 90 мм - опція | |
| 2 | Вентиляційні жалюзі IP 23D - стандарт , IP 43 - опція |
| 3 | Повні двері або двері з вентиляційними жалюзі IP 23D - стандарт , IP 43 - опція |
| 4 | Трансформатор |
| 5 | Розподільний пристрій НН |
| 5а | Шафа AMI / Телемеханіка / власні потреби |
| 6 | Розподільний пристрій СН |
УВАГА!
Додаткове обладнання позначено червоним кольором на електричній схемі.
У пропозиції представлені зразки конфігурацій підстанцій.
Детальний вибір розподільних пристроїв СН та їх аксесуарів можна знайти в розділах, присвячених окремим пристроям каталогу. Можливість встановлення інших типів та конфігурацій розподільних пристроїв, щоразу слід консультуватися з виробником підстанції.
PRZYKŁADY STACJI DEDYKOWANEJ DLA ELEKTROWNI BIOGAZOWEJ
| 1 | Товщина стінки 120 мм - стандартна |
| Товщина стінки, товщина 90 мм - за бажанням | |
| 2 | Вентиляційні жалюзі IP 23D - стандарт , IP 43 - опція |
| 3 | Повні двері або двері з вентиляційними жалюзі IP 23D - стандарт , IP 43 - опція |
| 4 | Трансформатор |
| 5 | Розподільний пристрій НН |
| 5а | Шафа AMI / Телемеханіка / власні потреби |
| 6 | Розподільний пристрій СН |
| 6 | Кришка люка кабельного каналу |
Електрична схема
УВАГА!
Додаткове обладнання позначено червоним кольором на електричній схемі.
У пропозиції представлені зразки конфігурацій підстанцій.
Детальний вибір розподільних пристроїв СН та їх аксесуарів можна знайти в розділах, присвячених окремим пристроям каталогу. Можливість встановлення інших типів та конфігурацій розподільних пристроїв, щоразу слід консультуватися з виробником підстанції.
PRZYKŁADY STACJI DYSKI WIRUJĄCE system KINEXT
| 1 | Товщина стінки 90 мм - стандартні |
| 2 | Вентиляційні жалюзі IP 23D - стандарт , IP 43 - опція |
| 3 | Повні двері або двері з вентиляційними жалюзі IP 23D - стандарт , IP 43 - опція |
| 4 | Трансформатор |
| 5 | Розподільний пристрій НН |
Електрична схема
УВАГА!
Додаткове обладнання позначено червоним кольором на електричній схемі.
У пропозиції представлені зразки конфігурацій підстанцій.
Детальний вибір розподільних пристроїв СН та їх аксесуарів можна знайти в розділах, присвячених окремим пристроям каталогу. Можливість встановлення інших типів та конфігурацій розподільних пристроїв, щоразу слід консультуватися з виробником підстанції.